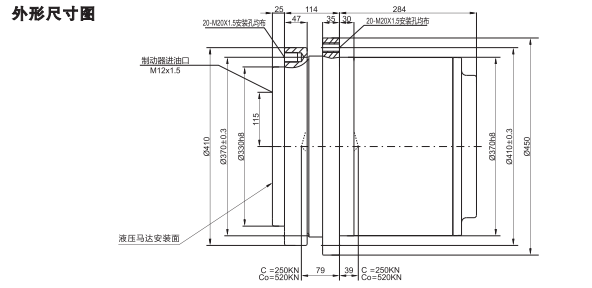
轮边驱动行星减速机