

MS系列内曲线多作用径向低速大扭矩液压马达适应能力强,可广泛应用于工程机械、矿山机械、水泥设备、海洋工程、环保、军工等多种领域,马达具备如下特点:
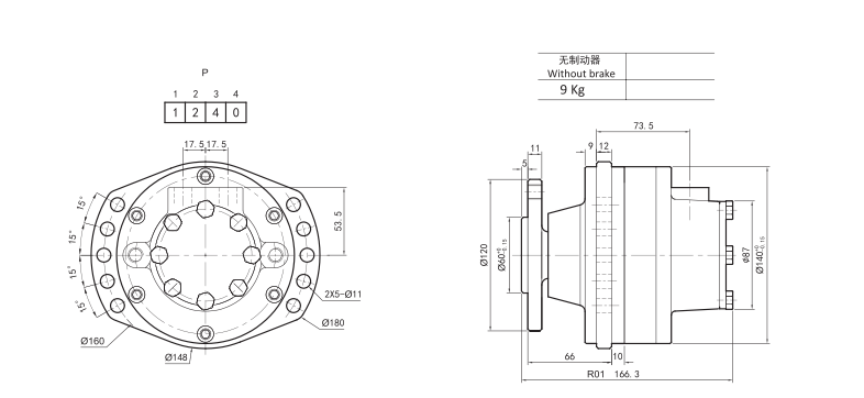
模块化设计:整体分为输出模块、功能模块、配流模块、制动器模块四部分,方便与各类主机优化配套。
可承受更大的径向和轴向负荷:输出模块采用双锥滚子轴承进行支承,可承受更大的径向力和轴向力。
效率高:配流模块采用国际端面配油模式,并具有自动磨损补偿功能,可长期保持液压马达较高的容积效率。
稳定耐冲击:功能模块采用了高承载、低摩擦、耐高温的高性能滑瓦,降低了机械摩擦损失,转矩、转速无脉动的轨道曲线设计个提高了马达的平稳性和耐冲击性。
可带机械制动器:采用模块快叶片结构,实现输出轴直接安全制动和停车制动。


Copyright © 2025- 版权所有:宁波赫威液压科技有限公司 All Rights Reserved. 浙ICP备2023007521号-1