
HIM系列曲轴连杆式低速大扭矩液压马达按照意大利提供的技术和标准进行生产。在此基础上,我们还根据市场的需要不断进行技术改进来提高产品的使用性能。其主要特点:
1.采用偏心轴及较低激振频率的五活塞结构,具有低噪音的特点;
2.起动扭矩大,低速稳定性好,能在很低的速度下平稳运转;
3.平面补偿配油盘,可靠性好,泄漏少;活塞与柱塞套采 用密封环密封,因而具有很高的容积效率;
4.曲轴与连杆间由滚柱支承。因而具有很高的机械效率;
5.旋转方向可逆,输出轴允许承受一定的径向和轴向外力;
6.具有校高的功率质量比,体积重量相对较少。
7.噪音小于80分贝。
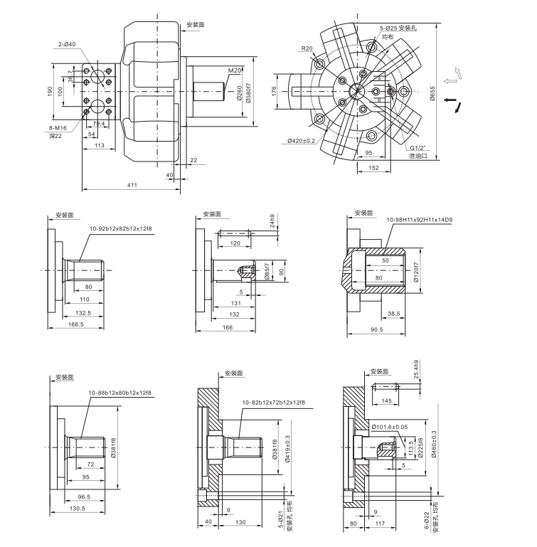
结构原理
通压力油的柱塞缸受液压力的作用,在柱塞体上产生推力P。该推力通过连杆作用在曲轴中心,使输出轴旋转,同时配油盘随着一起转动,当柱塞体所在位置到达下死点时,柱塞缸便由配油盘接通回油口,柱塞便被曲轴往上推。此时,做功后的液压油通过配油盘反回邮箱。各柱塞体依次接通高地压力油,各柱塞体对输出轴中心所产生的驱动力矩同向相加,使马达输出轴获得连续而平稳的回转扭矩。当改变油流方向时,便可改变马达的旋转方向。如将配油盘转180°装配也可以实现马达的反转。

注意事项
1.过滤:正常的工业用过滤精度推荐为25微米,对低压、低速或间隙工况时可以允许精度为75微米。
2.粘度:最佳性能应在良好的粘度条件下才能获得,因此马达在大多数工况下,粘度应在15-1000厘范围内,该范围保证满意地工作。
3.首次启动前,必须向液压马达壳体内注满液压油,以防损坏。
4.泄漏:泄油口应单独地与油箱接通,一般下壳体允许最大压力为0.1Mpa,用户有特殊要求时,该型马达可以改进使 之壳体能承受3-5Mpa压力。
5.泄油管的最高水平位置应高于马达壳体的最高水平位置,以防马达壳体内的油液排空。
6.液压马达可以任意位置安装,安装马达的支架必须有足够的刚性,安装时应保证液压马达所连接的传动主轴与液压马达的输出轴同心。
7.严格保证联接油口的清洁度,不允许任何固体异物进入。
8.减少液压马达输出轴所受径向、轴向负荷,可以使液压马达寿命延长。
9.该型马达应避免在泵工况下运转。

Copyright © 2025- 版权所有:宁波赫威液压科技有限公司 All Rights Reserved. 浙ICP备2023007521号-1