• 浙江省宁波市镇海区澥浦镇慈海北路1657号 浙江省宁波市镇海区澥浦镇慈海北路1657号
  • joan@cxblbearing.com 21374446@qq.com
宁波赫威液压科技有限公司
  • 首页
  • 关于我们
    • 公司简介
    • 设备展示
  • 产品展示
    • 液压马达
    • 液压回转装置
    • 轮边驱动行星减速机
    • 液压绞车
  • 新闻中心
    • 企业新闻
    • 行业新闻
  • 下载中心
  • 应用领域
  • 联系我们
宁波赫威液压科技有限公司

网页菜单

  • 首页
  • 关于我们
    • 公司简介
    • 设备展示
  • 产品展示
    • 液压马达
    • 液压回转装置
    • 轮边驱动行星减速机
    • 液压绞车
  • 新闻中心
    • 企业新闻
    • 行业新闻
  • 下载中心
  • 应用领域
  • 联系我们

产品搜索

关闭菜单

首页 > 产品展示 > 液压马达 > 外五星液压马达

外五星液压马达

产品展示

  • 液压马达

    • 摆线液压马达
    • 外五星液压马达
    • 内五星液压马达
    • 赫格隆液压马达
    • 杜斯特罗液压马达
    • 波克兰液压马达
  • 液压回转装置

    • C系列低速大扭矩回转装置
    • 邦飞利系列回转装置
    • 浓缩机专用回转装置
    • 非标定制回转装置
  • 轮边驱动行星减速机

  • 液压绞车

联系我们
不断创新,以好的产品,专业的服务满足不同客户的需求。

联系电话:13600629168

联系我们
HIM31系列液压马达

HIM31系列液压马达

所属分类:外五星液压马达

电话:13600629168
  • 分享:
  • 产品概述
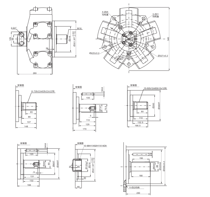
  • 外形尺寸

HIM系列曲轴连杆式低速大扭矩液压马达按照意大利提供的技术和标准进行生产。在此基础上,我们还根据市场的需要不断进行技术改进来提高产品的使用性能。其主要特点:

1.采用偏心轴及较低激振频率的五活塞结构,具有低噪音的特点;

2.起动扭矩大,低速稳定性好,能在很低的速度下平稳运转;

3.平面补偿配油盘,可靠性好,泄漏少;活塞与柱塞套采用密封环密封,因而具有很高的容积效率;

4.曲轴与连杆间由滚柱支承。因而具有很高的机械效率;

5.旋转方向可逆,输出轴允许承受一定的径向和轴向外力;

6.具有校高的功率质量比,体积重量相对较少。

7.噪音小于80分贝。

结构原理

通压力油的柱塞缸受液压力的作用,在柱塞体上产生推力P。该推力通过连杆作用在曲轴中心,使输出轴旋转,同时配油盘随着一起转动,当柱塞体所在位置到达下死点时,柱塞缸便由配油盘接通回油口,柱塞便被曲轴往上推。此时,做功后的液压油通过配油盘反回邮箱。各柱塞体依次接通高地压力油,各柱塞体对输出轴中心所产生的驱动力矩同向相加,使马达输出轴获得连续而平稳的回转扭矩。当改变油流方向时,便可改变马达的旋转方向。如将配油盘转180°装配也可以实现马达的反转。

1.png

注意事项

1.过滤:正常的工业用过滤精度推荐为25微米,对低压、低速或间隙工况时可以允许精度为75微米。

2.粘度:最佳性能应在良好的粘度条件下才能获得,因此马达在大多数工况下,粘度应在15-1000厘范围内,该范围保证满意地工作。 

3.首次启动前,必须向液压马达壳体内注满液压油,以防损坏。 

4.泄漏:泄油口应单独地与油箱接通,一般下壳体允许最大压力为0.1Mpa,用户有特殊要求时,该型马达可以改进使 之壳体能承受3-5Mpa压力。 

5.泄油管的最高水平位置应高于马达壳体的最高水平位置,以防马达壳体内的油液排空。 

6.液压马达可以任意位置安装,安装马达的支架必须有足够的刚性,安装时应保证液压马达所连接的传动主轴与液压马达的输出轴同心。 

7.严格保证联接油口的清洁度,不允许任何固体异物进入。 

8.减少液压马达输出轴所受径向、轴向负荷,可以使液压马达寿命延长。 

9.该型马达应避免在泵工况下运转。


4.png

相关产品

  • HIM11-3液压马达
    HIM11-3液压马达

    6010

  • HIM8系列液压马达
    HIM8系列液压马达

    6010

  • HIM16系列液压马达
    HIM16系列液压马达

    6010

  • HIM低速大扭矩液压马达
    HIM低速大扭矩液压马达

    6010

contact us

联系信息

  • 地址: 浙江省宁波市镇海区澥浦镇慈海北路1657号
  • 电话: 13600629168
  • 手机: 18067108378
  • 联系人 刘先生
  • 邮箱:21374446@qq.com

取得联系我们非常重视您的留言,会尽快给您回复。

关于我们
  • 公司简介
  • 设备展示
产品中心
  • 液压马达
  • 液压回转装置
  • 轮边驱动行星减速机
  • 液压绞车
新闻资讯
  • 企业新闻
  • 行业新闻
联系我们
回到顶部

Copyright © 2025- 版权所有:宁波赫威液压科技有限公司 All Rights Reserved.     浙ICP备2023007521号-1