• 浙江省宁波市镇海区澥浦镇慈海北路1657号 浙江省宁波市镇海区澥浦镇慈海北路1657号
  • joan@cxblbearing.com 21374446@qq.com
宁波赫威液压科技有限公司
  • 首页
  • 关于我们
    • 公司简介
    • 设备展示
  • 产品展示
    • 液压马达
    • 液压回转装置
    • 轮边驱动行星减速机
    • 液压绞车
  • 新闻中心
    • 企业新闻
    • 行业新闻
  • 下载中心
  • 应用领域
  • 联系我们
宁波赫威液压科技有限公司

网页菜单

  • 首页
  • 关于我们
    • 公司简介
    • 设备展示
  • 产品展示
    • 液压马达
    • 液压回转装置
    • 轮边驱动行星减速机
    • 液压绞车
  • 新闻中心
    • 企业新闻
    • 行业新闻
  • 下载中心
  • 应用领域
  • 联系我们

产品搜索

关闭菜单

首页 > 产品展示 > 液压马达 > 赫格隆液压马达

赫格隆液压马达

产品展示

  • 液压马达

    • 摆线液压马达
    • 外五星液压马达
    • 内五星液压马达
    • 赫格隆液压马达
    • 杜斯特罗液压马达
    • 波克兰液压马达
  • 液压回转装置

    • C系列低速大扭矩回转装置
    • 邦飞利系列回转装置
    • 浓缩机专用回转装置
    • 非标定制回转装置
  • 轮边驱动行星减速机

  • 液压绞车

联系我们
不断创新,以好的产品,专业的服务满足不同客户的需求。

联系电话:13600629168

联系我们
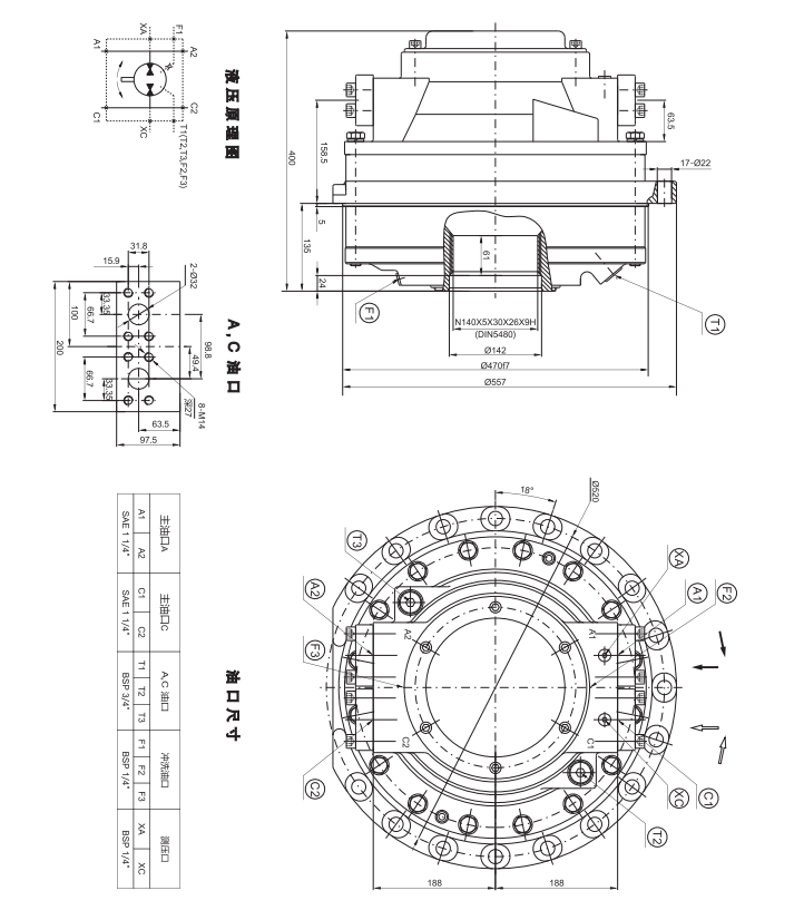
HCA液压马达

HCA液压马达

所属分类:赫格隆液压马达

电话:13600629168
  • 分享:
  • 产品概述
  • 外形尺寸

HCA系列液压马达是我司针对高端市场所开发的新产品,此产品能在各种恶劣工况下稳定工作,能满足大多数场合下对液压马达的高功作压力、大扭矩输出及低速稳定性等要求,在结构上,这款马达采用端面配流,径向柱塞内曲线形式,利用马达转子中空优势,能方便的根据用户要求配制制动器、测速器,及通过马达中孔的特殊设备,大大简化用户对主机结构的要求。抗冲击能力强,稳定性好;

特点: 

·可实现安全平稳的变量及停车制动;

·能实现自由轮工况;

·多种安装方式及中空轴设计;

·大输出扭矩、宽转速范围,可直接替代高速马达加减速机装置,结构紧凑(体积小);

·具有较高的机械效率和容积效率;

·旋转方向可逆;

·功率质量比高;

·可靠性好,维修方便。

2.png

7.png

相关产品

  • HCA液压马达
    HCA液压马达

    6010

  • HCA液压马达
    HCA液压马达

    6010

  • HCA液压马达
    HCA液压马达

    6010

contact us

联系信息

  • 地址: 浙江省宁波市镇海区澥浦镇慈海北路1657号
  • 电话: 13600629168
  • 手机: 18067108378
  • 联系人 刘先生
  • 邮箱:21374446@qq.com

取得联系我们非常重视您的留言,会尽快给您回复。

关于我们
  • 公司简介
  • 设备展示
产品中心
  • 液压马达
  • 液压回转装置
  • 轮边驱动行星减速机
  • 液压绞车
新闻资讯
  • 企业新闻
  • 行业新闻
联系我们
回到顶部

Copyright © 2025- 版权所有:宁波赫威液压科技有限公司 All Rights Reserved.     浙ICP备2023007521号-1