
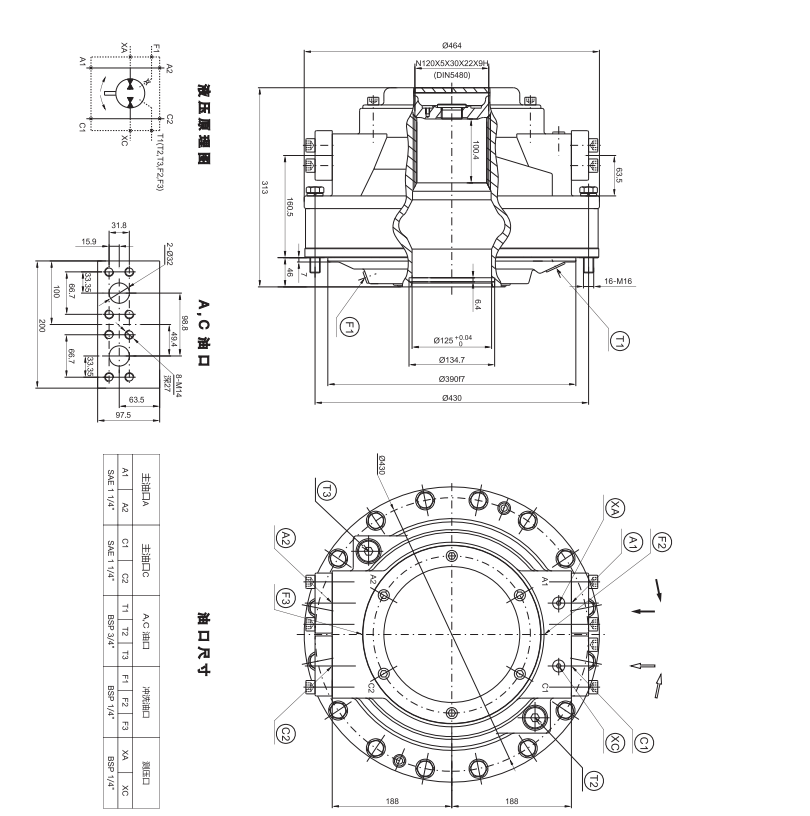
HCA系列液压马达是我司针对高端市场所开发的新产品,此产品能在各种恶劣工况下稳定工作,能满足大多数场合下对液压马达的高功作压力、大扭矩输出及低速稳定性等要求,在结构上,这款马达采用端面配流,径向柱塞内曲线形式,利用马达转子中空优势,能方便的根据用户要求配制制动器、测速器,及通过马达中孔的特殊设备,大大简化用户对主机结构的要求。抗冲击能力强,稳定性好;
特点:
·可实现安全平稳的变量及停车制动;
·能实现自由轮工况;
·多种安装方式及中空轴设计;
·大输出扭矩、宽转速范围,可直接替代高速马达加减速机装置,结构紧凑(体积小);
·具有较高的机械效率和容积效率;
·旋转方向可逆;
·功率质量比高;
·可靠性好,维修方便。


Copyright © 2025- 版权所有:宁波赫威液压科技有限公司 All Rights Reserved. 浙ICP备2023007521号-1