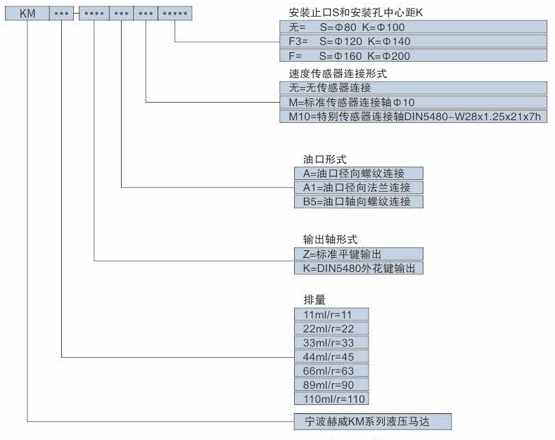
杜斯特罗液压马达