
KM系列液压马达是我司针对更广泛的高端应用细分市场所研发的新型液压马达,该型液压马在吸取了国外同类产品的优点基础上,经过不断实验、改进提高而成。现产品已经在医疗卫生机械、冶金机械、石油科技、电子科技、制药、矿山机械、工机具、车辆工程得到广泛应用。
KM系列液压马达的主要特性:
★设计优良,使用寿命长。
★速度范围广
★低速稳定性好
★转动惯量小,特别适合控制系统
★转向可逆
★可连接速度传感器
★起动扭矩高
★自动补偿设计,漏油少,效率高
★抗高温,抗震动
★可适用于低燃性液压油
★铸件质量高可承受超负荷操作,维修少
★运行噪音低
★可根据需要配置组合阀块、制动器、减速装置以便实现不同的功能需求

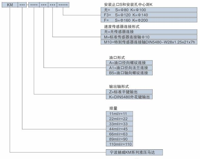
型号举例:
KM90-ZAMF
马达代号:宁波赫威液压科技有限公司KM型液压马达
名义排量:90ml/r
轴伸形式:标准平键输出
油口形式:油口径向螺纹连接
传感器连接形式:标准传感器连接轴
法兰形式:安装止口Ф160 安装孔中心距Ф200

Copyright © 2025- 版权所有:宁波赫威液压科技有限公司 All Rights Reserved. 浙ICP备2023007521号-1